跳转到主要内容
Product List
诚信经营 互利共赢
HONEST MANAGEMENT, MUTUAL BENEFIT AND WIN-WIN SITUATION
经验丰富的团队,为客户提供完善的产品方案和技术支持

精密自制筒夹输出,最大可夹持8mm刀具

 

 

 

ER16输出,最大可夹持10mm刀具

 

 

 

标准ERX20输出,最大夹持13mm刀具

 

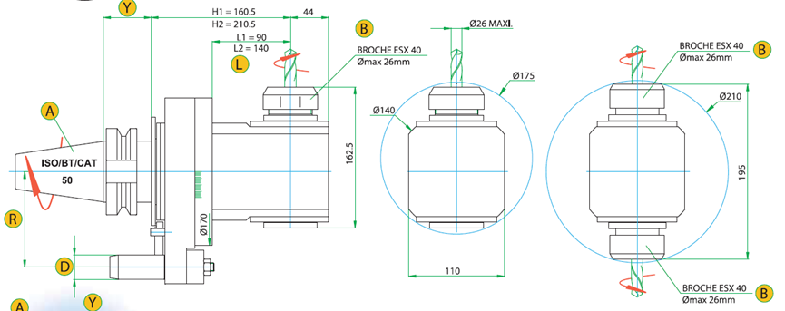
外观尺寸

 

 

可以选配各种输出方式!

ER25输出,最大夹持直径16mm刀具

 

筒夹ER32输出,最大夹持直径20mm刀具。

 

 

 

 

 

ER40输出,最大夹持刀具直径26mm